YTT-150差動遠傳壓力表是二線制本質安全型隔爆儀表,用于測量對銅及其合金不起腐蝕作用的液體、氣體和蒸汽的壓力。儀表帶上阻尼器后,可測量脈動、沖擊、突然卸荷介質的壓力。帶上隔膜體后,可測量粘度大、有腐蝕性質的壓力。
差動遠傳壓力表除就地進行壓力指示外,還連續輸出與被測壓力信號成線性的0-10mA或4-20mA直流信號,可以與DDZ-II或DDZ-III型變送單元組合儀表中的顯示、記錄、調節儀表聯網用,組成自動記錄、調節、控制系統。適用于石油化工、治金、電站,輕工等部門使用。
一、技術參數:
1.輸出信號:4~20mA Dc,二線制;
2.精度等級:1.6級;
3.負載電阻:250Ω~350Ω;
4.防爆標志:ib Ⅱ CT5;
5.供電電源:直流24V(+10或-15) %(本質安全型經ISB(5362-1006或5362-2006)型安全供電);
6.工作環境:溫 度:-10~+55℃、相對濕度:≤85%、外磁 場:≤5奧斯特;
7.儀表執行標準:Q/320211 DSY03-2003。
8.差動遠傳壓力表型號表示及量程范圍:
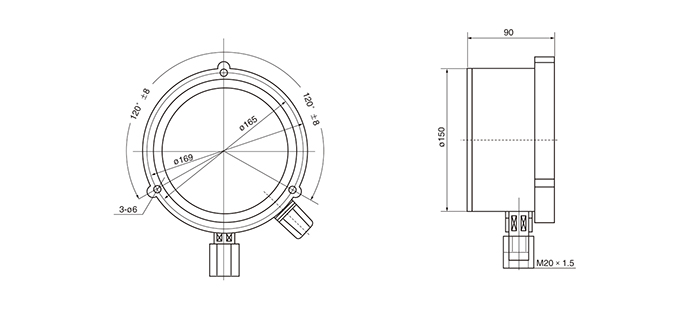
9. 差動遠傳壓力表外形尺寸圖:
| 名稱及型號 |
輸出信號 與負載電阻 |
測量范圍(MPa) |
精度 等級 |
|
|
差動遠傳 壓力表 |
耐震差動 遠傳壓力表 |
|||
| YTT-150A | YTT-150A-Z |
4~20mADC ≤250Ω |
-0.1~0.3;-0.1~0.5;-0.1~0.9; -0.1~1.5-0.1~2.4;0~0.16; 0~0.25;0~0.4;0~0.6;0~1.0; 0~1.6;0~2.5;0~4.0;0~6.0; 0~10;0~16;0~25;0~40;0~60 |
1.6 |
| YTT-150 | YTT-150-Z | |||

注:
1、產品分為基型,帶阻尼器型“Z”,帶隔膜型“G”(與介質接觸部分材料為IGr18Ni9 Ti和P2611混煉)、帶隔膜阻尼型“F”。
2、儀表供電電源為直流24V,作本質安全型使用時由CI系列ISB安全柵供電,作普通型使用時由配電器供電。









![[list:title]](/uploads/allimg/180721/1-1PH1061A7.jpg)